谷轮半封配套水冷凝器系列
谷轮半封配套水冷凝器系列属于水冷凝器冷却方式为水冷(水冷却式),此种产品工作时,制冷剂在管道内流动释放出大量的热,冷却水吸收了这些热量,并将其带走。冷却水的使用可以有两种方式:一种是一次性使用;一种是循环使用。水冷却式冷凝器按其不同的结构型式又可分为立式壳管式水冷凝器、卧式壳管式水冷凝器和套管式水冷凝器等多种。
谷轮半封配套水冷凝器匹配谷轮压缩机组,以下表格是压缩机冷凝温度40℃,蒸发温度2℃时的热负荷。

谷轮半封配套水冷凝器性能、尺寸参数表格:
谷轮半封配套水冷凝器匹配谷轮压缩机组,以下表格是压缩机冷凝温度40℃,蒸发温度2℃时的热负荷。

谷轮半封配套水冷凝器性能、尺寸参数表格:
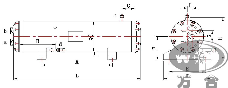
| 型号 | 换热量[1] | 外形尺寸mm | 管口尺寸 | ||||||||||||||
| KW | RT | Kcal | L | W | H | A | B | C | D | E | F | G | I | a,b | c | d | |
| WH-WN-9.2IV | 9.2 | 2.62 | 7,921 | 715 | 236 | 253 | 560 | 80 | 136 | 127 | 200 | 140 | 46 | 23 | Rc1 | 3/4 | 3/8 |
| WH-WN-15IV | 15 | 4.27 | 12,900 | 953 | 270 | 269 | 700 | 80 | 178 | 159 | 230 | 140 | 60 | 27 | Rc1-1/4 | 3/4 | 1/2 |
| WH-WN-21.2IV | 21.2 | 6.03 | 18,232 | 953 | 320 | 269 | 700 | 80 | 178 | 159 | 280 | 140 | 60 | 27 | Rc1-1/4 | 1 | 5/8 |
| WH-WN-27.5IV | 27.5 | 7.82 | 23,650 | 1030 | 320 | 269 | 700 | 90 | 220 | 159 | 280 | 140 | 60 | 27 | Rc1-1/4 | 1 | 5/8 |
| WH-WN-41IV | 41 | 11.7 | 35,260 | 1118 | 360 | 319 | 800 | 100 | 208 | 159 | 315 | 180 | 82 | 27 | Rc2 | 1-1/8 | 3/4 |
| WH-WN-52IV | 52 | 14.8 | 44,720 | 1118 | 360 | 349 | 800 | 100 | 208 | 219 | 315 | 180 | 82 | 35 | Rc2 | 1-1/8 | 3/4 |
| WH-WN-65IV | 65 | 18.5 | 55,900 | 1194 | 410 | 349 | 800 | 100 | 246 | 219 | 330 | 180 | 82 | 35 | Rc2 | 1-3/8 | 3/4 |
| WH-WN-86IV | 86 | 24.5 | 73,960 | 1376 | 410 | 403 | 1000 | 120 | 300 | 273 | 330 | 207 | 82 | 50 | Rc2 | 1-5/8 | 7/8 |
| WH-WN-109IV | 109 | 31 | 93,740 | 1376 | 410 | 403 | 1000 | 120 | 300 | 273 | 330 | 207 | 101 | 50 | Rc2-1/2 | 1-5/8 | 1-1/8 |
| WH-WN-136IV | 136 | 38.7 | 116,960 | 1528 | 410 | 403 | 1000 | 122 | 376 | 273 | 330 | 207 | 101 | 50 | Rc2-1/2 | 1-5/8 | 1-1/8 |
| WH-WN-160IV | 160 | 45.5 | 137,600 | 1630 | 410 | 403 | 1000 | 124 | 424 | 273 | 330 | 207 | 101 | 50 | Rc2-1/2 | 1-5/8 | 1-1/8 |
| WH-WN-184.5IV | 184.5 | 52.5 | 158,670 | 1884 | 410 | 403 | 1200 | 128 | 436 | 273 | 330 | 207 | 101 | 50 | Rc2-1/2 | 1-5/8 | 1-1/8 |
| WH-WN-210IV | 210 | 59.7 | 180,600 | 2138 | 410 | 403 | 1400 | 132 | 441 | 273 | 330 | 207 | 101 | 50 | Rc2-1/2 | 1-5/8 | 1-1/8 |
| WH-WN-235IV | 235 | 66.8 | 202,100 | 2392 | 410 | 403 | 1600 | 186 | 496 | 273 | 330 | 207 | 101 | 50 | Rc2-1/2 | 1-5/8 | 1-1/8 |
