三机冷凝器系列
三机冷凝器系列的工作原理:冷凝器中有供气体流经的螺线管,气体流过后,热量会迅速散失,达到冷凝的效果。一般官道上会安装散热片加速散热。它是专门为空调系统、冷却系统、热泵及加工等系统而设计的,被广泛用于化工制冷、动力厂、冷冻机械等用途。
我公司生产的冷凝器有三个系列:单机冷凝器系列、双机冷凝器系列、三机冷凝器系列
三机冷凝器系列系列匹配三个压缩机组,以下表格是冷凝温度40℃,进水温度30℃,出水温度35℃时的换热量。
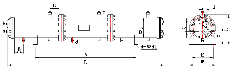
三机冷凝器系列性能、尺寸参数表:
我公司生产的冷凝器有三个系列:单机冷凝器系列、双机冷凝器系列、三机冷凝器系列
三机冷凝器系列系列匹配三个压缩机组,以下表格是冷凝温度40℃,进水温度30℃,出水温度35℃时的换热量。


三机冷凝器系列性能、尺寸参数表:
| 型号 | 换热量[1] | 外形尺寸mm | 管口尺寸 | |||||||||||||||
| KW | RT | Kcal | L | W | H | A | B | C | D | E | F | G | I | d1 | a,b | c | d | |
| WHC36C | 36 | 10.2 | 30,960 | 1388 | 210 | 259 | 910 | 60 | 60 | 159 | 150 | 140 | 60 | 27 | 13 | Rp1 | 22 | 16 |
| WHC45C | 45 | 12.8 | 38,700 | 1388 | 210 | 259 | 910 | 60 | 60 | 159 | 150 | 140 | 60 | 27 | 13 | Rp1 | 22 | 16 |
| WHC60C | 60 | 17.1 | 51,600 | 1418 | 290 | 319 | 910 | 60 | 60 | 219 | 230 | 170 | 82 | 35 | 18 | Rp1-1/2 | 22 | 16 |
| WHC75C | 75 | 21.3 | 64,500 | 1418 | 290 | 319 | 910 | 60 | 60 | 219 | 230 | 170 | 82 | 35 | 18 | Rp1-1/2 | 22 | 16 |
| WHC90C | 90 | 25.6 | 77,400 | 2021 | 290 | 319 | 1330 | 60 | 60 | 219 | 230 | 170 | 82 | 35 | 18 | Rp1-1/2 | 22 | 16 |
| WHC120C | 120 | 34.1 | 103,200 | 2021 | 290 | 319 | 1330 | 60 | 60 | 219 | 230 | 170 | 82 | 35 | 18 | Rp2 | 22 | 16 |
| WHC150C | 150 | 42.7 | 129,000 | 2021 | 290 | 319 | 1330 | 60 | 60 | 219 | 230 | 170 | 82 | 35 | 18 | Rp2 | 22 | 16 |
| WHC180C | 180 | 51.2 | 154,800 | 2012 | 330 | 345 | 1330 | 60 | 60 | 245 | 270 | 183 | 98 | 47 | 18 | Rp2-1/2 | 35 | 19 |
| WHC240C | 240 | 68.3 | 206,400 | 2696 | 330 | 345 | 1810 | 85 | 85 | 245 | 270 | 183 | 98 | 47 | 18 | Rp2-1/2 | 35 | 19 |
| WHC300C | 300 | 85.3 | 258,000 | 2696 | 350 | 373 | 1810 | 85 | 85 | 273 | 290 | 197 | 101 | 50 | 18 | Rp3 | 42 | 22 |
| WHC360C | 360 | 102 | 309.600 | 2696 | 350 | 373 | 1810 | 85 | 85 | 273 | 290 | 197 | 250 | 694 | 18 | 100 | 42 | 22 |
| WHC450C | 450 | 128 | 387,000 | 2597 | 420 | 445 | 1810 | 85 | 85 | 325 | 360 | 243 | 250 | 714 | 18 | 100 | 42 | 28 |
| WHC600C | 600 | 171 | 516,000 | 3056 | 420 | 445 | 2310 | 100 | 100 | 325 | 360 | 243 | 270 | 783 | 18 | 125 | 54 | 28 |
| WHC750C | 750 | 213 | 645,000 | 3056 | 460 | 476 | 2310 | 100 | 100 | 356 | 400 | 258 | 300 | 803 | 18 | 150 | 54 | 28 |
| WHC900C | 900 | 256 | 774,000 | 3818 | 420 | 445 | 2670 | 125 | 125 | 325 | 360 | 243 | 300 | 894 | 18 | 150 | 54 | 28 |
| WHC1200C | 1200 | 341 | 1,032,000 | 3818 | 490 | 497 | 2670 | 125 | 125 | 377 | 430 | 269 | 380 | 924 | 18 | 200 | 67 | 35 |
