单机冷凝器系列
单机冷凝器系列的工作原理:冷凝器中有供气体流经的螺线管,气体流过后,热量会迅速散失,达到冷凝的效果。一般官道上会安装散热片加速散热。它是专门为空调系统、冷却系统、热泵及加工等系统而设计的,被广泛用于化工制冷、动力厂、冷冻机械等用途。
我公司生产的冷凝器有三个系列:单机冷凝器系列、双机冷凝器系列、三机冷凝器系列
单机冷凝器系列匹配一个压缩机组,以下表格是冷凝温度40℃,进水温度30℃,出水温度35℃时的换热量。

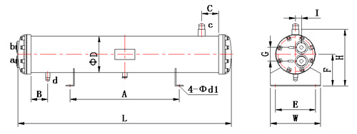
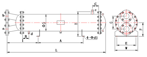
单机冷凝器系列性能尺寸参数表:
我公司生产的冷凝器有三个系列:单机冷凝器系列、双机冷凝器系列、三机冷凝器系列
单机冷凝器系列匹配一个压缩机组,以下表格是冷凝温度40℃,进水温度30℃,出水温度35℃时的换热量。


单机冷凝器系列性能尺寸参数表:
| 型号 | 换热量[1] | 外形尺寸mm | 管口尺寸 | |||||||||||||||
| KW | RT | Kcal | L | W | H | A | B | C | D | E | F | G | I | d1 | a,b | c | d | |
| WHC12A | 12 | 3.41 | 10,320 | 931 | 170 | 227 | 690 | 60 | 60 | 127 | 110 | 124 | 46 | 23 | 13 | 3/4 | 22 | 16 |
| WHC15A | 15 | 4.27 | 12,900 | 931 | 170 | 227 | 690 | 60 | 60 | 127 | 110 | 124 | 46 | 23 | 13 | 3/4 | 22 | 16 |
| WHC20A | 20 | 5.69 | 17,200 | 941 | 210 | 319 | 690 | 60 | 60 | 159 | 150 | 140 | 60 | 27 | 13 | 3/4 | 22 | 16 |
| WHC25A | 25 | 7.11 | 21,500 | 1094 | 210 | 319 | 810 | 70 | 70 | 159 | 150 | 140 | 60 | 27 | 13 | 3/4 | 22 | 16 |
| WHC30A | 30 | 8.53 | 25,800 | 1124 | 290 | 319 | 810 | 70 | 70 | 219 | 230 | 170 | 82 | 35 | 18 | 1 | 22 | 16 |
| WHC40A | 40 | 11.4 | 34,400 | 1378 | 290 | 319 | 1010 | 85 | 85 | 219 | 230 | 170 | 82 | 35 | 18 | 1 | 22 | 16 |
| WHC50A | 50 | 14.2 | 43,000 | 1378 | 290 | 319 | 1010 | 85 | 85 | 219 | 230 | 170 | 82 | 35 | 18 | 1 1/2 | 22 | 16 |
| WHC60A | 60 | 17.1 | 51,600 | 1632 | 290 | 319 | 1210 | 105 | 105 | 219 | 230 | 170 | 82 | 35 | 18 | 1 1/2 | 35 | 19 |
| WHC80A | 80 | 22.8 | 68,800 | 1632 | 290 | 319 | 1210 | 105 | 105 | 219 | 230 | 170 | 82 | 35 | 18 | 1 1/2 | 35 | 19 |
| WHC100A | 100 | 28.4 | 86,000 | 1632 | 290 | 319 | 1210 | 105 | 105 | 219 | 230 | 170 | 82 | 35 | 18 | 2 | 42 | 22 |
| WHC120A | 120 | 34.1 | 103,200 | 1886 | 290 | 319 | 1420 | 120 | 120 | 219 | 230 | 170 | 82 | 35 | 18 | 2 | 42 | 22 |
| WHC150A | 150 | 42.7 | 129,000 | 1886 | 290 | 319 | 1420 | 120 | 120 | 219 | 230 | 170 | 82 | 35 | 18 | 2 1/2 | 42 | 28 |
| WHC200A | 200 | 56.9 | 172,000 | 2131 | 330 | 345 | 1620 | 140 | 140 | 245 | 270 | 183 | 98 | 47 | 18 | 2 1/2 | 54 | 28 |
| WHC250A | 250 | 71.1 | 215,000 | 2131 | 350 | 373 | 1620 | 140 | 140 | 273 | 290 | 197 | 101 | 50 | 18 | 3 | 54 | 28 |
| WHC300A | 300 | 85.3 | 258,000 | 2131 | 350 | 373 | 1620 | 140 | 140 | 273 | 290 | 197 | 101 | 50 | 18 | 3 | 54 | 28 |
| WHC400A | 400 | 114 | 344,000 | 2688 | 420 | 420 | 1820 | 160 | 160 | 325 | 340 | 243 | 250 | 553 | 18 | 100 | 67 | 35 |
| WHC500A | 500 | 142 | 430,000 | 2688 | 420 | 420 | 1820 | 160 | 160 | 325 | 340 | 243 | 270 | 553 | 18 | 125 | 67 | 35 |
| WHC600A | 600 | 171 | 516,000 | 2996 | 420 | 490 | 2070 | 180 | 180 | 325 | 340 | 243 | 270 | 582 | 18 | 125 | 80 | 42 |
| WHC800A | 800 | 228 | 688,000 | 3039 | 490 | 520 | 2070 | 180 | 180 | 377 | 410 | 269 | 300 | 612 | 18 | 150 | 80 | 42 |
| WHC1000A | 1000 | 284 | 860,000 | 3268 | 520 | 550 | 2250 | 195 | 195 | 406 | 440 | 283 | 300 | 647 | 22 | 150 | 108 | 42 |
| WHC1250A | 1250 | 356 | 1,075,00 | 3481 | 550 | 420 | 2400 | 210 | 210 | 426 | 470 | 293 | 380 | 672 | 22 | 200 | 108 | 42 |
