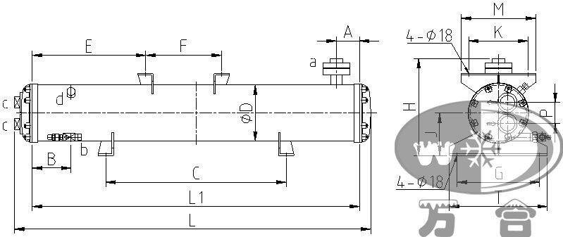
汉钟螺杆配套机组壳管式冷凝器系列(低温工况)
汉钟螺杆配套机组壳管式冷凝器系列的工作原理:高温气体流经冷凝器中的螺线管,在流经的过程中,热量会迅速散失,达到冷凝的效果。一般官道上会安装散热片加速散热。冷凝器是最好的热交换设备之一,结构简单、方便维修、热交换效率高,它是专门为空调系统、冷却系统、热泵及加工等系统而设计的,被广泛用于化工制冷、动力厂、冷冻机械等用途。
汉钟螺杆配套机组壳管式冷凝器系列与汉钟螺杆压缩机组配合,适用于低温工况。以下表格是压缩机冷凝温度40℃,蒸发温度-30℃时的热负荷。


汉钟螺杆配套机组壳管式冷凝器系列(低温工况)参数表:
汉钟螺杆配套机组壳管式冷凝器系列与汉钟螺杆压缩机组配合,适用于低温工况。以下表格是压缩机冷凝温度40℃,蒸发温度-30℃时的热负荷。


汉钟螺杆配套机组壳管式冷凝器系列(低温工况)参数表:
| 型号 | 适配机型 | 冷凝器热负荷[1] | 外形尺寸mm | ||||||||
| L | T | H | A | B | C | D | E | F | |||
| WHCH56AL | LA1 | 56 | 1378 | 360 | 390 | 90 | 150 | 700 | 219 | 440 | 295 |
| WHCH63AL | LA2 | 63 | 1378 | 360 | 390 | 90 | 150 | 700 | 219 | 440 | 295 |
| WHCH77AL | LA3 | 77 | 1530 | 400 | 390 | 90 | 150 | 800 | 219 | 460 | 330 |
| WHCH88AL | LA4 | 88 | 1632 | 400 | 390 | 90 | 150 | 800 | 219 | 500 | 390 |
| WHCH105AL | LA5 | 105 | 1712 | 400 | 390 | 90 | 150 | 900 | 219 | 550 | 390 |
| WHCH130AL | LA6 | 130 | 1713 | 500 | 440 | 110 | 150 | 900 | 273 | 550 | 374 |
| WHCH144AL | LA7 | 144 | 1887 | 500 | 440 | 110 | 150 | 1000 | 273 | 550 | 435 |
| WHCH158AL | LA8 | 158 | 1887 | 500 | 440 | 110 | 150 | 1000 | 273 | 570 | 463.5 |
| WHCH176AL | LA9 | 176 | 1971 | 500 | 440 | 110 | 150 | 1000 | 273 | 620 | 500 |
| WHCH707AL | LA22 | 707 | 3008 | 660 | 790 | 200 | 250 | 1400 | 426 | 650 | 1110 |
| WHCH830AL | LA23 | 830 | 3008 | 660 | 790 | 200 | 250 | 1400 | 426 | 700 | 1105 |
| WHCH946AL | LA24 | 946 | 3040 | 660 | 810 | 200 | 250 | 1400 | 450 | 700 | 1105 |
| 型号 | 外形尺寸mm | 管口尺寸 | |||||||||
| G | J | K | M | P | L1 | a | b | c | d | ||
| 铜管 | 钢管 | ||||||||||
| WHCH56AL | 300 | 164.5 | 230 | 278 | 82 | 1270 | 1-5/8″ | 1-1/2″ | 7/8″ | Rc1-1/2 | NPT1/2 |
| WHCH63AL | 300 | 164.5 | 230 | 278 | 82 | 1270 | 1-5/8″ | 1-1/2″ | 7/8″ | Rc1-1/2 | NPT1/2 |
| WHCH77AL | 340 | 164.5 | 270 | 318 | 82 | 1422 | 1-5/8″ | 1-1/2″ | 7/8″ | Rc2 | NPT1/2 |
| WHCH88AL | 340 | 164.5 | 270 | 318 | 82 | 1524 | 1-5/8″ | 1-1/2″ | 7/8″ | Rc2 | NPT1/2 |
| WHCH105AL | 340 | 164.5 | 270 | 318 | 82 | 1604 | 1-5/8″ | 1-1/2″ | 1-1/8″ | Rc2-1/2 | NPT1/2 |
| WHCH130AL | 440 | 191.5 | 360 | 410 | 101 | 1604 | 2-1/8″ | 2″ | 1-1/8″ | Rc2-1/2 | NPT1/2 |
| WHCH144AL | 440 | 191.5 | 360 | 410 | 101 | 1778 | 2-1/8″ | 2″ | 1-1/8″ | Rc2-1/2 | NPT1/2 |
| WHCH158AL | 440 | 191.5 | 360 | 410 | 101 | 1778 | 2-5/8″ | 2-1/2″ | 1-1/8″ | Rc3 | NPT1/2 |
| WHCH176AL | 440 | 191.5 | 360 | 410 | 101 | 1862 | 2-5/8″ | 2-1/2″ | 1-1/8″ | Rc3 | NPT1/2 |
| WHCH707AL | 600 | 463 | 470 | 550 | 305 | 2594 | — | 5″ | 4-1/8″ | DN150 | NPT1/2 |
| WHCH830AL | 600 | 463 | 470 | 550 | 305 | 2594 | — | 5″ | 4-1/8″ | DN150 | NPT1/2 |
| WHCH946AL | 600 | 475 | 470 | 550 | 305 | 2594 | — | 5″ | 4-1/8″ | DN150 | NPT1/2 |
