汉钟螺杆配套机组壳管式冷凝器系列(双机头)
双机汉钟螺杆配套机组壳管式冷凝器系列(双机头)属于间壁式换热器,全封闭式的壳体结构,以其中的管束的壁面作为热传导面。此种换热器应用非常广泛,能使用的材料种类(以金属材料为主)也非常多。优点是结构简单,操作方便,运行稳定。
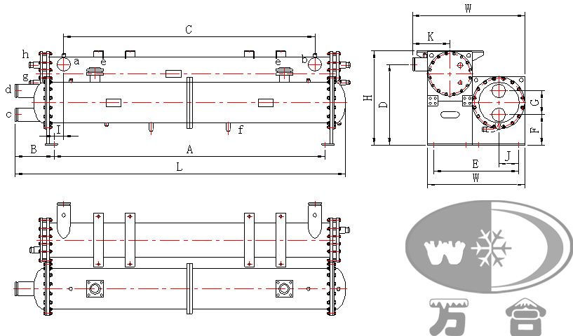
双机汉钟螺杆配套机组壳管式冷凝器系列匹配两个压缩机组。此换热器系列可配置莱富康、比泽尔、富盛等品牌的螺杆压缩机。
下表中的制冷量是压缩机冷凝温度=40℃,蒸发温度=2℃时的名义制冷量,单位为kw。
双机汉钟螺杆配套机组壳管式冷凝器参数表:
双机汉钟螺杆配套机组壳管式冷凝器系列匹配两个压缩机组。此换热器系列可配置莱富康、比泽尔、富盛等品牌的螺杆压缩机。
下表中的制冷量是压缩机冷凝温度=40℃,蒸发温度=2℃时的名义制冷量,单位为kw。

双机汉钟螺杆配套机组壳管式冷凝器参数表:
| 型号 | 适配主机 | 制冷量[1] | 外形尺寸mm | ||||||||
| L | W | H | A | B | C | D | E | F | |||
| WHH100D | RC2-100B | 176.6 | 2365 | 895 | 539 | 1922 | 292 | 1800 | 443 | 685 | 235 |
| WHH140D | RC2-140B | 240.6 | 2398 | 950 | 551 | 1922 | 312 | 1800 | 448 | 740 | 250 |
| WHH180D | RC2-180B | 315.8 | 2678 | 990 | 599 | 2202 | 312 | 2060 | 485 | 780 | 250 |
| WHH200D | RC2-200B | 343.8 | 2898 | 990 | 603 | 2422 | 312 | 2260 | 489 | 780 | 250 |
| WHH230D | RC2-230B | 419.2 | 2962 | 1050 | 643 | 2422 | 332 | 2260 | 530 | 840 | 260 |
| WHH260D | RC2-260B | 460 | 2962 | 1095 | 716 | 2422 | 332 | 2260 | 599 | 890 | 260 |
| WHH300D | RC2-300B | 542 | 3241 | 1115 | 722 | 2722 | 342 | 2520 | 596 | 910 | 260 |
| WHH310D | RC2-310B | 572.8 | 3274 | 1135 | 725 | 2722 | 362 | 2520 | 599 | 960 | 285 |
| WHH340D | RC2-340B | 626.8 | 3274 | 1200 | 771 | 2722 | 362 | 2520 | 645 | 990 | 285 |
| 型号 | 适配主机 | 外形尺寸mm | 管口表 | 重量 kg |
||||||||
| G | I | J | K | a,b | c,d | e | f | g | h | |||
| WHH100D | RC2-100B | 160 | 61 | 133 | 320 | 76 | 60 | 42 | 28 | 34 | 60 | 596 |
| WHH140D | RC2-140B | 180 | 61 | 160 | 320 | 89 | 76 | 42 | 28 | 34 | 60 | 763 |
| WHH180D | RC2-180B | 180 | 71 | 160 | 340 | 108 | 76 | 42 | 28 | 34 | 76 | 948 |
| WHH200D | RC2-200B | 180 | 81 | 160 | 340 | 108 | 76 | 42 | 28 | 34 | 76 | 1015 |
| WHH230D | RC2-230B | 190 | 81 | 180 | 350 | 108 | 89 | 54 | 28 | 34 | 89 | 1190 |
| WHH260D | RC2-260B | 190 | 81 | 180 | 370 | 108 | 89 | 54 | 28 | 34 | 89 | 1282 |
| WHH300D | RC2-300B | 210 | 101 | 190 | 370 | 133 | 108 | 54 | 34 | 34 | 89 | 1461 |
| WHH310D | RC2-310B | 210 | 101 | 215 | 370 | 133 | 108 | 54 | 34 | 34 | 89 | 1528 |
| WHH340D | RC2-340B | 210 | 101 | 215 | 390 | 133 | 108 | 60 | 34 | 34 | 108 | 1642 |
