三机谷轮ZR/ZB涡旋配套机组换热器
三机谷轮ZR/ZB涡旋配套机组换热器是专为匹配谷轮ZR/ZB涡旋配套机组而设计的热交换器,换热器又称为热交换器,主要的作用就是将温度高的液体流体内的热量部分传递给温度低的液态流体,达到热交换的目的。换热器主要应用于石化行业、食品加工行业、动力及其它工业领域。
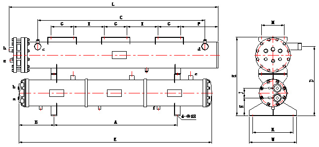
三机谷轮ZR/ZB涡旋配套机组换热器系列与三个谷轮ZR/ZB涡旋压缩机组配套。下表中的制冷量是压缩机冷凝温度=40℃,蒸发温度=2℃时的名义制冷量。

三机谷轮ZR/ZB涡旋配套机组换热器参数表:
三机谷轮ZR/ZB涡旋配套机组换热器系列与三个谷轮ZR/ZB涡旋压缩机组配套。下表中的制冷量是压缩机冷凝温度=40℃,蒸发温度=2℃时的名义制冷量。

三机谷轮ZR/ZB涡旋配套机组换热器参数表:
| 型号 | 适配机型 | 制冷量[1] | 外形尺寸mm | ||||||||||
| KW | RT | Kcal | L | W | H | A | B | C | D | E | F | ||
| WHCZ81C/WHEuZ66C | ZR94KC-TFD ZB58KQ |
66 | 18.8 | 56,760 | 1780 | 480 | 670 | 1080 | 302 | 1500 | 591 | 1707 | 210 |
| WHCZ90C/WHEuZ75C | ZR108KC-TFD ZB66KQ |
75 | 21.3 | 64,500 | 1780 | 530 | 670 | 1080 | 302 | 1500 | 617 | 1707 | 210 |
| WHCZ112C/WHEuZ88C | ZR125KC-TFD ZB76KQ |
88 | 25 | 75,680 | 1780 | 600 | 784 | 1080 | 305 | 1500 | 705 | 1707 | 230 |
| WHCZ125C/WHEuZ101C | ZR144KC-TFD ZB88KQ |
101 | 28.7 | 86,860 | 1780 | 600 | 784 | 1080 | 305 | 1500 | 691 | 1707 | 230 |
| WHCZ212C/WHEuZ168C | ZR250KC-TWD | 168 | 47.8 | 144,480 | 2080 | 710 | 834 | 1290 | 389 | 1750 | 743 | 2076 | 245 |
| WHCZ250C/WHEuZ210C | ZR310KC-TWD | 210 | 59.7 | 180,600 | 2470 | 710 | 834 | 1550 | 431 | 2030 | 733 | 2466 | 325 |
| 型号 | 外形尺寸mm | 管口尺寸 | ||||||||||
| G | I | J | K | M | N | a,b | c,d | e | f | g | h | |
| WHCZ81C/WHEuZ66C | 190 | 310 | 82 | 420 | 190 | 149 | Rp2 | G2 | 22 | 16 | 22 | 28 |
| WHCZ90C/WHEuZ75C | 190 | 310 | 82 | 470 | 190 | 149 | Rp2 | G2 | 22 | 16 | 22 | 35 |
| WHCZ112C/WHEuZ88C | 190 | 310 | 101 | 540 | 190 | 170 | Rp2-1/2 | G2 | 22 | 16 | 22 | 35 |
| WHCZ125C/WHEuZ101C | 190 | 310 | 101 | 540 | 190 | 170 | Rp2-1/2 | G2 | 22 | 16 | 22 | 35 |
| WHCZ212C/WHEuZ168C | 266.7 | 400 | 101 | 650 | 266.7 | 170 | 80 | G3 | 35 | 22 | 28 | 42 |
| WHCZ250C/WHEuZ210C | 266.7 | 485 | 101 | 650 | 266.7 | 170 | 80 | G3 | 35 | 22 | 28 | 42 |
